독립형 마이크로그리드
독립형 마이크로그리드
설명자료
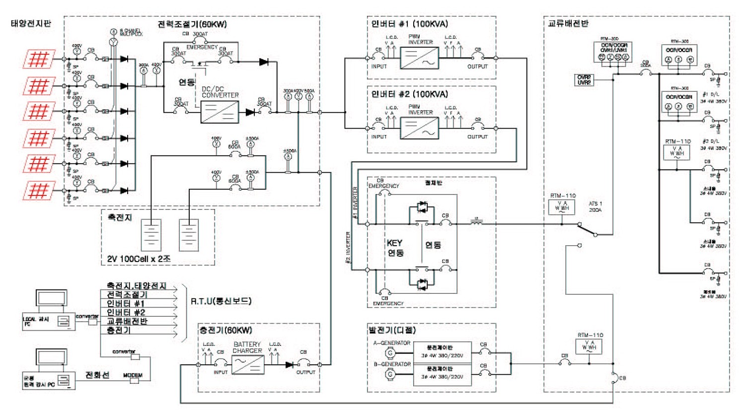
독립형 인버터 시스템의 구성 요소
- 태양전지 모듈(Solar Cell Array)
- 전력 조절기(DC-DC Converter/Charger)
- 축전지(Battery)
- 인버터(Inverter)
- 비상발전기(Emergency Generator)
- 충전기(Baterry Charger)
- 교류 배전반(AST , Relay and Power Distribution Panel)
- 원격 감시시스템(Remote Monitoring System)
한국전력공사용 독립형 태양광 발전 시스템
| 독립형 태양광 발전 시스템 구성도 |
|---|
![]() |
| 태양광발전장치(전력변환부) 전체모습 (좌로부터 : 충전기/인버터1/STS/인버터2/전력조절기/교류배전반) |
|---|
![]() |
| 전력조절기 | |
|---|---|
![]() |
|
| 인버터 | |
|---|---|
![]() |
|
| 교류배전반 | |
|---|---|
![]() |
|
| BATTERY | |
|---|---|
![]() |
|
| 발전기 | |
|---|---|
![]() |
|
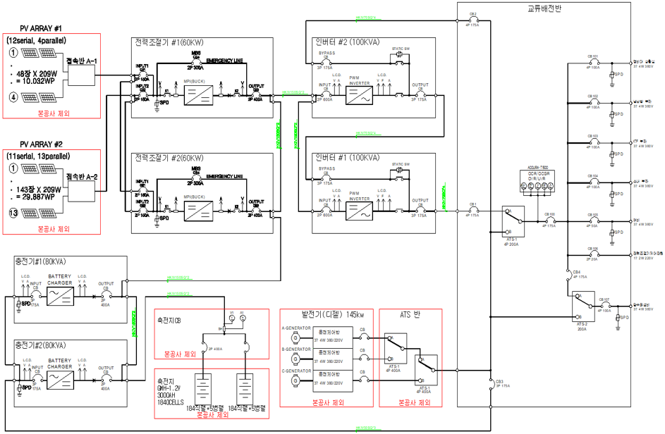
지자체용 독립형 태양광 발전 시스템
| 태양광 발전 시스템 구성장치 (좌로부터 : 교류배전반/인버터/충전기/전력조절기) |
|---|
|
| 태양광발전시스템(전력변환부) 전체모습 (좌로부터: 충전기/인버터1/STS/인버터2/전력조절기/교류배전반) |
|---|
|
| 전력조절기 | |
|---|---|
![]() |
|
| 인버터 | |
|---|---|
![]() |
|
| 충전기 | |
|---|---|
![]() |
|
| 교류배전반 | |
|---|---|
![]() |
|
| BATTERY | |
|---|---|
![]() |
|
| 발전기 | |
|---|---|
![]() |
|
독도 경비대 독립형 마이크로그리드
| 경북경찰청 독도경비대 독립형 태양광발전시스템 |
|---|
![]() |
동해 해양기지 독립형 마이크로그리드
| 동해 해양기지 독립형 마이크로그리드 |
|---|
![]() |
설치사례
한국전력공사용 독립형 태양광 발전 시스템
| 내병도 태양광발전시스템 설치 사례 |
|---|
|
|
| 황제도 태양광발전시스템 설치 사례 |
|---|
|
|
| 율도 태양광발전시스템 설치 사례 |
|---|
|
|
| 평사도 태양광발전시스템 설치 사례 |
|---|
|
|
지자체용 독립형 태양광 발전 시스템
| 인천 옹진군 지도 태양광발전시스템 설치 사례 |
|---|
|
|
| 진도군 독거혈도 태양광발전시스템 설치 사례 |
|---|
|
|
| 시루섬 태양광발전시스템 설치 사례 |
|---|
|
|
| 경남 통영시 국도 태양광발전시스템 설치 사례 |
|---|
|
|
| 충남 태안군 불모도 태양광발전시스템 설치 사례 |
|---|
|
|
| 경남 진해시 잠도 태양광발전시스템 설치 사례 |
|---|
|
|
| 제주시 마라도 태양광발전시스템 설치 사례 |
|---|
|
| 경남 고성군 와도 태양광발전시스템 설치 사례 |
|---|
|
|
| 전남 완도군 원도 독립형 태양광발전시스템 |
|---|
|
|
독도 경비대 독립형 마이크로그리드
| 경북경찰청 독도경비대 독립형 태양광발전시스템 설치 사례 |
|---|
|
|
|
|
동해 해양기지 독립형 마이크로그리드
| 동해 해양기지 독립형 마이크로그리드 |
|---|
|
|
|














