분산에너지 및 마이크로그리드 솔루션
AC Coupling 마이크로그리드
설명자료
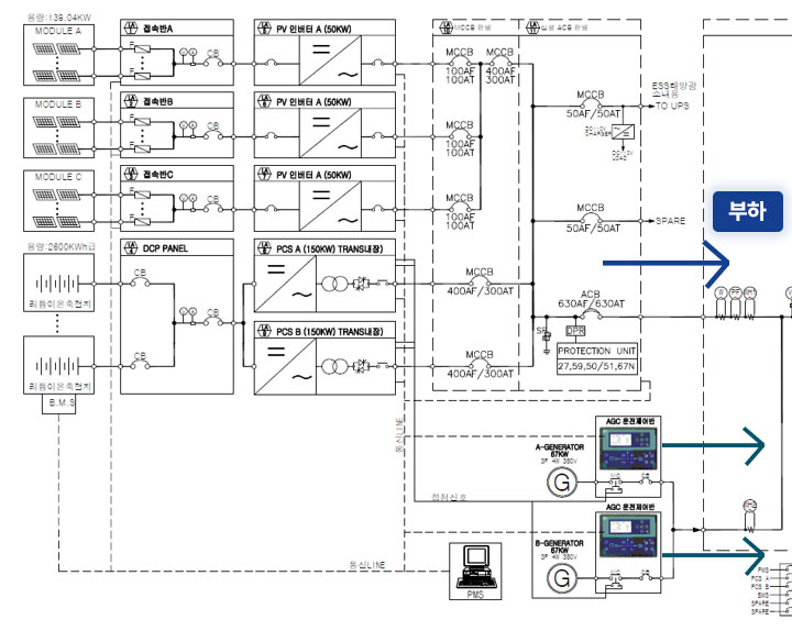
| 초기 기동 - 발전기간 병렬운전 | |
|---|---|
![]() |
|
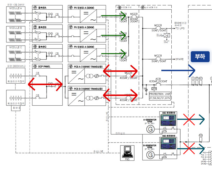
| 발전기 독립운전에서 PCS 독립운전으로 변경 | |
![]() |
|
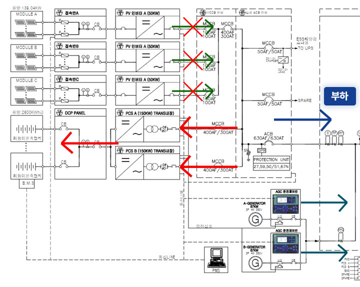
| PCS 독립운전에서 발전기 독립운전으로 변경후 PCS 계통연계 충전운전 | |
![]() |
|
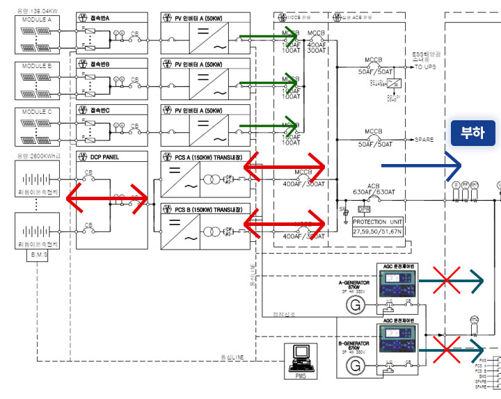
| 발전기 독립운전에서 PCS 독립운전으로 변경 | |
![]() |
|
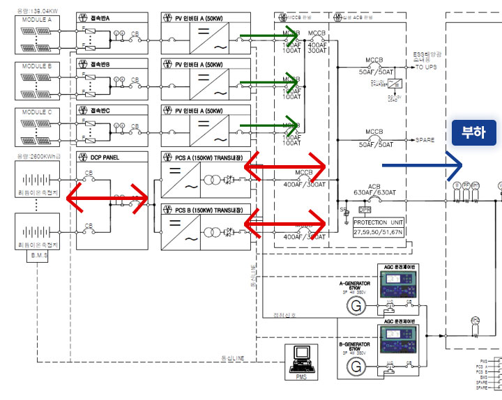
| 초기기동 - PCS간 병렬운전 | |
![]() |
|
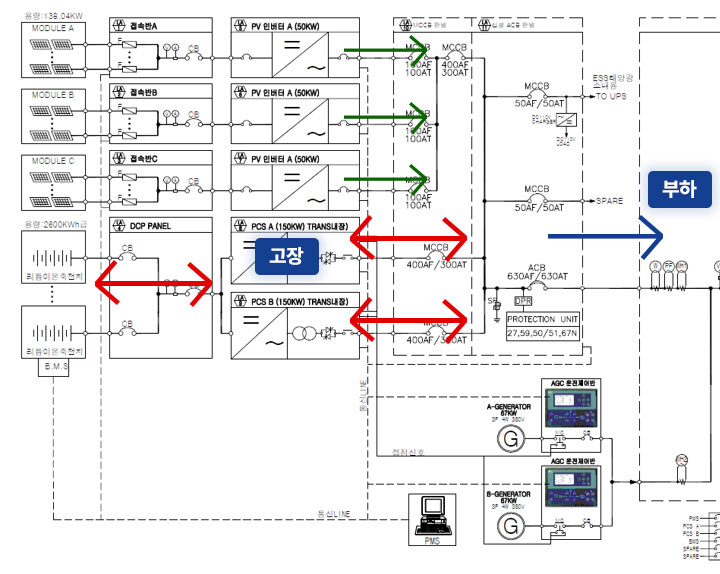
| PCS 1대 고장시 | |
![]() |
|
설치사례
한전 6개도서 AC Coupling 독립형 마이크로그리드
| 내병도 | |
|---|---|
|
|
| 당사도 | |
|
|
| 육도 | |
|
|
| 율도 | |
|
|
| 하화도 | |
|
|
| 황제도 | |
|
|
해남군 삼마도 AC Coupling 독립형 마이크로그리드
| 구분 | 태양광 | 풍력 | ESS | 디젤 |
|---|---|---|---|---|
| 용량 | 124kW | 30kW | 1200kWh | 240kW |
|
||||
백아도 융복합 사업 현황 및 고도화방안
기존 융복합사업 발전 현황
| 구분 | 태양광 발전량(kWh) | 풍력 발전량(kWh) | 디젤 발전량(kWh) | 합계 | |
|---|---|---|---|---|---|
| 발전량 | 293,567kWh | 5,220kWh | 242,926kWh | 541,713kWh |
|
| 발전 기여율 | 54.19% | 0.96% | 44.84% | 100% | |
| 설비 이용률 | 13.40% | 1.49% | - | - |
에너지자립도 저하 원인
| 에너지 자립도 55.15% |
|
|---|
기존 발전 시설 현황
| 구분 | 태양광 | 풍력 | ESS | 디젤 |
|---|---|---|---|---|
| 설비 용량 | 250kW | 40kW | 1,125kWh | 75kW x 3 |
전력 설비 현황
| 송전규격 | 3,300V, 3상4선식 |
|---|---|
| 배전규격 | 220V, 380V |
| 선로긍장 | 고압(3,300V) 3.2KM, 38sq (전주 1~42, R1~R14) 저압(220V) 1.36KM, 3.2sq (주상 변압기~ 수용가) |
| 주상변압기 | 30kVA – 11EA 20kVA – 5EA |
| 가스차단기 | 22.9kV, 400A - 8EA |
| 고도화 사업 | |
|---|---|
|
|
| 백아도 발전소 & 사업대상지 |
|
|
|





