DC Coupling 마이크로그리드
DC Coupling 마이크로그리드
설명자료
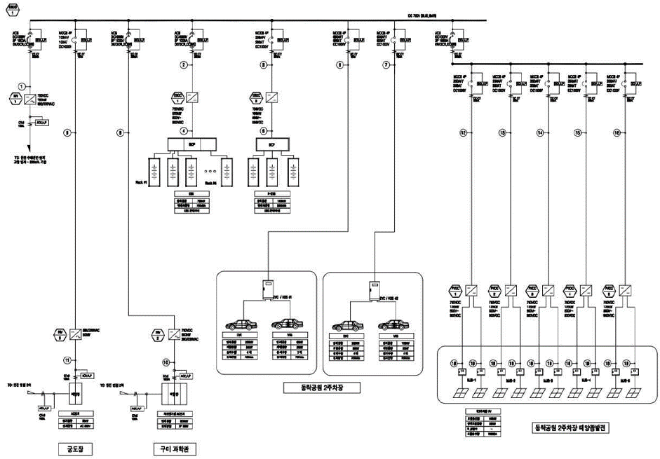
구미산단 DC 마이크로그리드
| MG 플랫폼 |
|---|
|
| 구미산단 DC 마이크로그리드 |
|---|
|
|
|
|
동수농공산단 DC 마이크로그리드
| 공급내역 |
|---|
|
| 백인산업 | 유민우레탄 | 우리화학 | 우정정미소 | 나산플라스틱 | 폐수처리장 | |
|---|---|---|---|---|---|---|
| 계통연계 PCS | 30KW | 30KW | 50KW | 50KW | 100KW | 100KW |
| 배터리 DC/DC | 30KW | 30KW | 50KW | 50KW | 100KW | 100KW*4 |
| PV DC/DC | 50KW | 60KW | 40KW | 50KW | 100KW | 공급범위 제외 |
| 배터리 | 45KWH 이상 | 45KWH 이상 | 100KWH 이상 | 135KWH 이상 | 180KWH 이상 | 250KWH*4 이상 |
| DC 판넬 | 1 | 1 | 1 | 1 | 1 | 1 |
| 공급내역 |
|---|
|
| 동수농공산단 폐수처리장 배터리용 DC/DC 컨버터 100KW*4대 양방향 Buck-Boost |
|---|
|
| 동수농공산단 폐수처리장 리튬이온 배터리 |
|---|
|
| 폐수처리장 PV용 DC/DC 컨버터 100KW*3대 단방향 MPPT |
|---|
|
설치사례
구미산단 DC 마이크로그리드
| 구미산단 DC 마이크로그리드 |
|---|
|
|
|
|
|
|
동수농공산단 DC 마이크로그리드
| 나산프라스틱 설치 현황 |
|---|
|
| 우정정미소 설치 현황 |
|---|
|
| 우리화학 설치 현황 |
|---|
|
| 유민우레탄 설치 현황 |
|---|
|
| 백인산업 설치 현황 |
|---|
|
|
|